
ÜRÜNLER / DÖNER PUNTALAR
AÇIK MERKEZ HİDROLİK AYNALAR - KHC
YÜKSEK DEVİRLİ VE HIZLI AYAK DEĞİŞTİRMELİ HİDROLİK AYNALAR - HSQC
ELLE KUMANDALI TORNA AYNALARI
SÜPER HASSAS TEZGAH MENGENELERİ
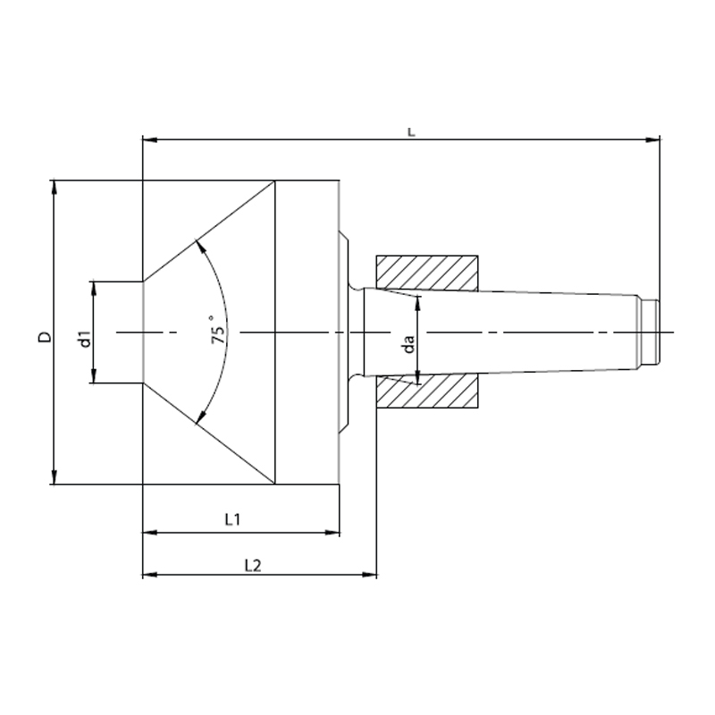
DÖNER PUNTALAR
SABİT PUNTALAR
PENS AYNASI
GENEL ÖZELLİKLER
TEKNİK ÖZELLİKLER
| MK3-301-80 | |||
| Mors Koniği | 3 | D | 80 |
| d1 | 25 | ||
| L | 156 | ||
| L1 | 64 | ||
| L2 | 75 | ||
| da | 23,825 | ||
| Salgı Değeri (max. mm) | 0,005 | ||
| MK3-301-100 | |||
| Mors Koniği | 3 | D | 100 |
| d1 | 25 | ||
| L | 169,5 | ||
| L1 | 77 | ||
| L2 | 88,5 | ||
| da | 23,825 | ||
| Salgı Değeri (max. mm) | 0,005 | ||
| MK3-301-120 | |||
| Mors Koniği | 3 | D | 120 |
| d1 | 30 | ||
| L | 165,5 | ||
| L1 | 73 | ||
| L2 | 84,5 | ||
| da | 23,825 | ||
| Salgı Değeri (max. mm) | 0,005 | ||
| MK4-301-80 | |||
| Mors Koniği | 4 | D | 80 |
| d1 | 25 | ||
| L | 177,5 | ||
| L1 | 64 | ||
| L2 | 75 | ||
| da | 31,267 | ||
| Salgı Değeri (max. mm) | 0,005 | ||
| MK4-301-100 | |||
| Mors Koniği | 4 | D | 100 |
| d1 | 25 | ||
| L | 191,5 | ||
| L1 | 77 | ||
| L2 | 89,5 | ||
| da | 31,267 | ||
| Salgı Değeri (max. mm) | 0,005 | ||
| MK4-301-120 | |||
| Mors Koniği | 4 | D | 120 |
| d1 | 30 | ||
| L | 187,7 | ||
| L1 | 73 | ||
| L2 | 85,3 | ||
| da | 31,267 | ||
| Salgı Değeri (max. mm) | 0,005 | ||
| MK4-301-140 | |||
| Mors Koniği | 4 | D | 140 |
| d1 | 50 | ||
| L | 208,3 | ||
| L1 | 90 | ||
| L2 | 105,8 | ||
| da | 31,267 | ||
| Salgı Değeri (max. mm) | 0,005 | ||
| MK4-301-170 | |||
| Mors Koniği | 4 | D | 170 |
| d1 | 50 | ||
| L | 211,3 | ||
| L1 | 93 | ||
| L2 | 105,8 | ||
| da | 31,267 | ||
| Salgı Değeri (max. mm) | 0,005 | ||
| MK5-301-100 | |||
| Mors Koniği | 5 | D | 100 |
| d1 | 25 | ||
| L | 221,5 | ||
| L1 | 77 | ||
| L2 | 91,5 | ||
| da | 44,399 | ||
| Salgı Değeri (max. mm) | 0,01 | ||
| MK5-301-120 | |||
| Mors Koniği | 5 | D | 120 |
| d1 | 30 | ||
| L | 217,5 | ||
| L1 | 73 | ||
| L2 | 87,5 | ||
| da | 44,399 | ||
| Salgı Değeri (max. mm) | 0,01 | ||
| MK5-301-140 | |||
| Mors Koniği | 5 | D | 140 |
| d1 | 50 | ||
| L | 235,2 | ||
| L1 | 90 | ||
| L2 | 105,6 | ||
| da | 44,399 | ||
| Salgı Değeri (max. mm) | 0,01 | ||
| MK5-301-170 | |||
| Mors Koniği | 5 | D | 170 |
| d1 | 50 | ||
| L | 238,2 | ||
| L1 | 93 | ||
| L2 | 108,6 | ||
| da | 44,399 | ||
| Salgı Değeri (max. mm) | 0,01 | ||
| MK6-301-170 | |||
| Mors Koniği | 6 | D | 170 |
| d1 | 50 | ||
| L | 293 | ||
| L1 | 93 | ||
| L2 | 111 | ||
| da | 63,348 | ||
| Salgı Değeri (max. mm) | 0,01 | ||
© 2020 Komtaş Makine - Tüm Hakları Saklıdır...






