
ÜRÜNLER / DÖNER PUNTALAR
AÇIK MERKEZ HİDROLİK AYNALAR - KHC
YÜKSEK DEVİRLİ VE HIZLI AYAK DEĞİŞTİRMELİ HİDROLİK AYNALAR - HSQC
ELLE KUMANDALI TORNA AYNALARI
SÜPER HASSAS TEZGAH MENGENELERİ
DÖNER PUNTALAR
SABİT PUNTALAR
PENS AYNASI
GENEL ÖZELLİKLER
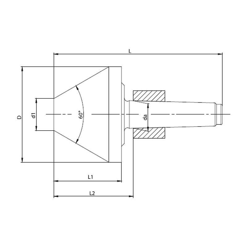
TEKNİK ÖZELLİKLER
| MK3-300-80 | |||
| Mors Koniği | 3 | D | 80 |
| d1 | 25 | ||
| L | 156 | ||
| L1 | 64 | ||
| L2 | 75 | ||
| da | 23,825 | ||
| Salgı Değeri (max. mm) | 0,005 | ||
| MK3-300-100 | |||
| Mors Koniği | 3 | D | 100 |
| d1 | 25 | ||
| L | 169,5 | ||
| L1 | 77 | ||
| L2 | 88,5 | ||
| da | 23,825 | ||
| Salgı Değeri (max. mm) | 0,005 | ||
| MK3-300-120 | |||
| Mors Koniği | 3 | D | 120 |
| d1 | 35 | ||
| L | 175,5 | ||
| L1 | 83 | ||
| L2 | 94,5 | ||
| da | 23,825 | ||
| Salgı Değeri (max. mm) | 0,005 | ||
| MK4-300-80 | |||
| Mors Koniği | 4 | D | 80 |
| d1 | 25 | ||
| L | 177,5 | ||
| L1 | 64 | ||
| L2 | 75 | ||
| da | 31,267 | ||
| Salgı Değeri (max. mm) | 0,005 | ||
| MK4-300-100 | |||
| Mors Koniği | 4 | D | 100 |
| d1 | 25 | ||
| L | 191,5 | ||
| L1 | 77 | ||
| L2 | 89,5 | ||
| da | 31,267 | ||
| Salgı Değeri (max. mm) | 0,005 | ||
| MK4-300-120 | |||
| Mors Koniği | 4 | D | 120 |
| d1 | 35 | ||
| L | 197,5 | ||
| L1 | 83 | ||
| L2 | 89,5 | ||
| da | 31,267 | ||
| Salgı Değeri (max. mm) | 0,005 | ||
| MK4-300-150 | |||
| Mors Koniği | 4 | D | 125 |
| d1 | 50 | ||
| L | 213 | ||
| L1 | 95 | ||
| L2 | 110,5 | ||
| da | 31,267 | ||
| Salgı Değeri (max. mm) | 0,005 | ||
| MK5-300-100 | |||
| Mors Koniği | 5 | D | 100 |
| d1 | 25 | ||
| L | 221,5 | ||
| L1 | 77 | ||
| L2 | 91,5 | ||
| da | 44,399 | ||
| Salgı Değeri (max. mm) | 0,01 | ||
| MK5-300-120 | |||
| Mors Koniği | 5 | D | 120 |
| d1 | 35 | ||
| L | 227,5 | ||
| L1 | 83 | ||
| L2 | 97,5 | ||
| da | 44,399 | ||
| Salgı Değeri (max. mm) | 0,01 | ||
| MK5-300-140 | |||
| Mors Koniği | 5 | D | 140 |
| d1 | 50 | ||
| L | 240,5 | ||
| L1 | 95 | ||
| L2 | 110,5 | ||
| da | 44,399 | ||
| Salgı Değeri (max. mm) | 0,01 | ||
| MK5-300-170 | |||
| Mors Koniği | 6 | D | 170 |
| d1 | 70 | ||
| L | 305 | ||
| L1 | 105 | ||
| L2 | 122 | ||
| da | 63,348 | ||
| Salgı Değeri (max. mm) | 0,01 | ||
© 2020 Komtaş Makine - Tüm Hakları Saklıdır...






