
ÜRÜNLER / ELLE KUMANDALI TORNA AYNALARI
AÇIK MERKEZ HİDROLİK AYNALAR - KHC
YÜKSEK DEVİRLİ VE HIZLI AYAK DEĞİŞTİRMELİ HİDROLİK AYNALAR - HSQC
ELLE KUMANDALI TORNA AYNALARI
SÜPER HASSAS TEZGAH MENGENELERİ
DÖNER PUNTALAR
SABİT PUNTALAR
PENS AYNASI
GENEL ÖZELLİKLER
Döküm gövde
Kademelendirilmiş, sertleştirilmiş ve taşlanmış döndürülebilir üst ayaklar
Ayaklar birbirinden bağımsız hareket eder.
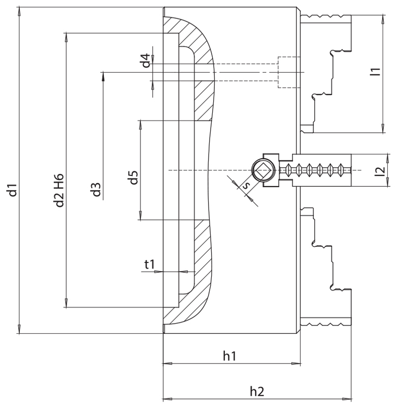
TEKNİK ÖZELLİKLER
| Sipariş Kodu | 314KG00 | 404KG00 | 504KG00 |
| d1 | 310 | 400 | 500 |
| d2H6 | 130 | 210 | 210 |
| d3 | 105 | 175 | 175 |
| d4 | 4x13,5 | 4x17 | 4x17 |
| d5 | 75 | 97 | 97 |
| h1 | 95 | 105 | 105 |
| h2 | 129 | 149 | 157 |
| l1 | 94 | 112 | 136 |
| l2 | 35 | 40 | 40 |
| t1 | 8 | 18 | 18 |
| s | 10 | 13 | 13 |
| Ağırlık (kg) | 32 | 60 | 91 |
| Sıkma Çapları | |
| d1 | 310 |
| 400 | |
| 500 | |
| d2 (min) | 24 |
| 40 | |
| 70 | |
| d4 (max) | 176 |
| 246 | |
| 310 | |
| d4 (max) | 300 |
| 390 | |
| 490 | |
| d5 (max) | 305 |
| 400 | |
| 500 | |
© 2020 Komtaş Makine - Tüm Hakları Saklıdır...






