
ÜRÜNLER / ELLE KUMANDALI TORNA AYNALARI
AÇIK MERKEZ HİDROLİK AYNALAR - KHC
YÜKSEK DEVİRLİ VE HIZLI AYAK DEĞİŞTİRMELİ HİDROLİK AYNALAR - HSQC
ELLE KUMANDALI TORNA AYNALARI
SÜPER HASSAS TEZGAH MENGENELERİ
DÖNER PUNTALAR
SABİT PUNTALAR
PENS AYNASI
GENEL ÖZELLİKLER
İmalat tezgahları için uygundur. Çünkü bu ayaklar döndürülerek hem düz ayakların hem de ters ayakların görevlerini yaparlar. Ayrıca yumuşak üst ayaklar takılarak da kullanılabilir.
Çelik gövde
Sertleştirilmiş, balansı alınmış yüksek düzey kalitesinde spiral
Kademelendirilmiş, sertleştirilmiş ve taşlanmış ters düz ayaklar
Ayak dış yüzeylerinin her iki tarafı taşlanmıştır.
TEKNİK ÖZELLİKLER
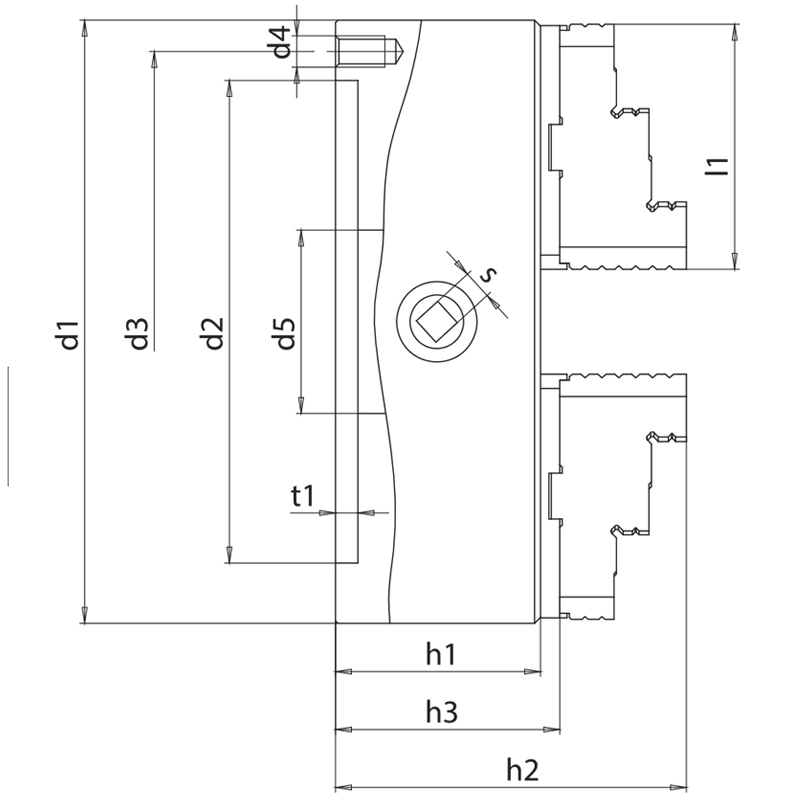
| 103DNS - 104DNS | ||
| Sipariş Kodu | 3 Ayak | 103DNS |
| 4 Ayak | 104DNS | |
| d1 | 100 | |
| d2H6 | 70 | |
| d3 | 83 | |
| d4 | 3xM8 | |
| d5 | 20 | |
| h1 | 50 | |
| h2 | 80,4 | |
| h3 | 53,4 | |
| l1 | 49 | |
| t1 | 3 | |
| s | 8 | |
| Ağırlık | 2,7 | |
| 123DNS - 124DNS | ||
| Sipariş Kodu | 3 Ayak | 123DNS |
| 4 Ayak | 124DNS | |
| d1 | 125 | |
| d2H6 | 95 | |
| d3 | 108 | |
| d4 | 3xM8 | |
| d5 | 32 | |
| h1 | 56 | |
| h2 | 95,4 | |
| h3 | 60,9 | |
| l1 | 58 | |
| t1 | 4 | |
| s | 9 | |
| Ağırlık | 4,5 | |
| 163DNS - 164DNS | ||
| Sipariş Kodu | 3 Ayak | 163DNS |
| 4 Ayak | 164DNS | |
| d1 | 160 | |
| d2H6 | 125 | |
| d3 | 140 | |
| d4 | 3xM10 | |
| d5 | 47 | |
| h1 | 66 | |
| h2 | 107,9 | |
| h3 | 69,9 | |
| l1 | 70 | |
| t1 | 4 | |
| s | 10 | |
| Ağırlık | 7,8 | |
| 203DNS - 204DNS | ||
| Sipariş Kodu | 3 Ayak | 203DNS |
| 4 Ayak | 204DNS | |
| d1 | 200 | |
| d2H6 | 160 | |
| d3 | 176 | |
| d4 | 3xM10 | |
| d5 | 55 | |
| h1 | 75 | |
| h2 | 121,4 | |
| h3 | 81,9 | |
| l1 | 83 | |
| t1 | 4 | |
| s | 11 | |
| Ağırlık | 14,2 | |
| 253DNS - 254DNS | ||
| Sipariş Kodu | 3 Ayak | 253DNS |
| 4 Ayak | 254DNS | |
| d1 | 250 | |
| d2H6 | 200 | |
| d3 | 224 | |
| d4 | 3xM12 | |
| d5 | 76 | |
| h1 | 85 | |
| h2 | 142,5 | |
| h3 | 93 | |
| l1 | 101,5 | |
| t1 | 5 | |
| s | 12 | |
| Ağırlık | 24 | |
| 313DNS - 314DNS | ||
| Sipariş Kodu | 3 Ayak | 313DNS |
| 4 Ayak | 314DNS | |
| d1 | 315 | |
| d2H6 | 260 | |
| d3 | 286 | |
| d4 | 3xM16 | |
| d5 | 103 | |
| h1 | 95 | |
| h2 | 155,1 | |
| h3 | 100,6 | |
| l1 | 131 | |
| t1 | 5 | |
| s | 14 | |
| Ağırlık | 41,9 | |
| 403DNS - 404DNS | ||
| Sipariş Kodu | 3 Ayak | 403DNS |
| 4 Ayak | 404DNS | |
| d1 | 400 | |
| d2H6 | 330 | |
| d3 | 362 | |
| d4 | 3xM16 | |
| d5 | 136 | |
| h1 | 108 | |
| h2 | 175,2 | |
| h3 | 116,6 | |
| l1 | 159 | |
| t1 | 5 | |
| s | 17 | |
| Ağırlık | 79,3 | |
| ÖLÇÜLER | |
| d1 | 100 |
| 125 | |
| 160 | |
| 200 | |
| 250 | |
| 315 | |
| 400 | |
| d2 (min) | 3 |
| 3 | |
| 3 | |
| 4 | |
| 5 | |
| 10 | |
| 20 | |
| d3 (max) | 33 |
| 42 | |
| 68 | |
| 90 | |
| 110 | |
| 145 | |
| 200 | |
| d4 (max) | 25 |
| 34 | |
| 42 | |
| 52 | |
| 62 | |
| 80 | |
| 100 | |
| d5 (min) | 87 |
| 112 | |
| 154 | |
| 194 | |
| 240 | |
| 299 | |
| 380 | |
© 2020 Komtaş Makine - Tüm Hakları Saklıdır...








