
ÜRÜNLER / YÜKSEK DEVİRLİ VE HIZLI AYAK DEĞİŞTİRMELİ HİDROLİK AYNALAR - HSQC
AÇIK MERKEZ HİDROLİK AYNALAR - KHC
YÜKSEK DEVİRLİ VE HIZLI AYAK DEĞİŞTİRMELİ HİDROLİK AYNALAR - HSQC
ELLE KUMANDALI TORNA AYNALARI
SÜPER HASSAS TEZGAH MENGENELERİ
DÖNER PUNTALAR
SABİT PUNTALAR
PENS AYNASI
GENEL ÖZELLİKLER
Büyük delik çapı
Hızlı değiştirilebilir ayaklar. Her aynada iki takım taban ayak bulunur.
Yüksek devirlerde kullanım.
Ayar zamanı ve üretim maliyetlerini düşürür.
Gövde içindeki ayar civataları ile salgı ayarlanabilir.
TEKNİK ÖZELLİKLER
| 6" | |
| Ayna Çapı | 6" |
| Sipariş Kodu | KHSC 6X3 |
| Max. Devir (rpm) | 6000 |
| Max. Delik Çapı (mm) | 43 |
| Ayak Stroku (mm) | 3,5 |
| Piston Stroku (mm) | 16 |
| Max. Çekme Kuvveti (kN) | 16 |
| Max. Sıkma Kuvveti (kN) | 47 |
| Ağırlık (kg) | 16 |
| 8" | |
| Ayna Çapı | 8" |
| Sipariş Kodu | KHSC 8X3 |
| Max. Devir (rpm) | 5500 |
| Max. Delik Çapı (mm) | 66 |
| Ayak Stroku (mm) | 3,5 |
| Piston Stroku (mm) | 16 |
| Max. Çekme Kuvveti (kN) | 24 |
| Max. Sıkma Kuvveti (kN) | 66 |
| Ağırlık (kg) | 27 |
| 10" | |
| Ayna Çapı | 10" |
| Sipariş Kodu | KHSC 10X3 |
| Max. Devir (rpm) | 4500 |
| Max. Delik Çapı (mm) | 66,5 |
| Ayak Stroku (mm) | 4 |
| Piston Stroku (mm) | 18,5 |
| Max. Çekme Kuvveti (kN) | 32 |
| Max. Sıkma Kuvveti (kN) | 88 |
| Ağırlık (kg) | 42 |
| 12" | |
| Ayna Çapı | 12" |
| Sipariş Kodu | KHSC 12X3 |
| Max. Devir (rpm) | 3800 |
| Max. Delik Çapı (mm) | 90 |
| Ayak Stroku (mm) | 4 |
| Piston Stroku (mm) | 18,5 |
| Max. Çekme Kuvveti (kN) | 44 |
| Max. Sıkma Kuvveti (kN) | 121 |
| Ağırlık (kg) | 68 |
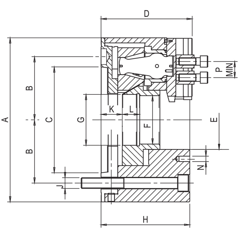
| ÖLÇÜLER | |
| 6" | |
| Ayna Ebadı | 6" |
| Flanş No | A2-5 |
| A | 165 |
| B | 52,4 |
| C | 82,557 |
| D | 126 |
| E | 56 |
| F | 43 |
| G (Max) | M48x1,5 |
| H | 123 |
| J | M10x120 |
| K (Max/Min) | 44/28 |
| L | 20 |
| M (1,5x60° / 1,16"x90°) | 12 |
| 12 | |
| N | M8 |
| P (Min) | 17 |
| 8" | |
| Ayna Ebadı | 8" |
| Flanş No | A2-6 |
| A | 210 |
| B | 66,7 |
| C | 106,375 |
| D | 140 |
| E | 82 |
| F | 66 |
| G (Max) | M72x1,5 |
| H | 136 |
| J | M12x130 |
| K (Max/Min) | 46/30 |
| L | 27 |
| M (1,5x60° / 1,16"x90°) | 14 |
| 17 | |
| N | M8 |
| P (Min) | 19 |
| 10" | |
| Ayna Ebadı | 10" |
| Flanş No | A2-8 |
| A | 254 |
| B | 85,7 |
| C | 139,72 |
| D | 155 |
| E | 85,73 |
| F | 66,5 |
| G (Max) | M72x1,5 |
| H | 150 |
| J | M16x140 |
| K (Max/Min) | 54,5/36 |
| L | 27 |
| M (1,5x60° / 1,16"x90°) | 16 |
| 17 | |
| N | M10 |
| P (Min) | 19 |
| 12" | |
| Ayna Ebadı | 12" |
| Flanş No | A2-11 |
| A | 305 |
| B | 117,5 |
| C | 196,87 |
| D | 172 |
| E | 110 |
| F | 90 |
| G (Max) | M96x1,5 |
| H | 168 |
| J | M20x160 |
| K (Max/Min) | 51,5/33 |
| L | 32 |
| M (1,5x60° / 1,16"x90°) | 18 |
| 21 | |
| N | M10 |
| P (Min) | 25 |
© 2020 Komtaş Makine - Tüm Hakları Saklıdır...








